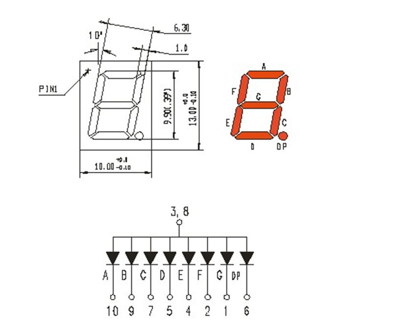
由于很多多都需要这个数码管引脚图,于是今天专门用qq截了图,请大家记好引角的顺序
《七段数码管引脚图》

数码管使用条件:
a、段及小数点上加限流电阻
b、使用电压:段:根据发光颜色决定; 小数点:根据发光颜色决定
c、使用电流:静态:总电流 80mA(每段 10mA);动态:平均电流 4-5mA 峰值电流 100mA
上面这个只是七段数码管引脚图,其中共阳极数码管引脚图和共阴极的是一样的,4位数码管引脚图请在本站搜索我也提供了数码管使用注意事项说明:
(1)数码管表面不要用手触摸,不要用手去弄引角;
(2)焊接温度:260度;焊接时间:5S
(3)表面有保护膜的产品,可以在使用前撕下来。
数码管测试方法与数字显示译码表
七段数码管引脚连接方法:
如图片 中间是写着 gnd 属于 共阴极,接地(低电平)。

共阳极的数码管,中间就是接 正极( 高电平)。
数码管 中间两个脚,内部己经有短接。
方便设计人员 画线路板, 只连接上面、只连接下面 或是 都连起来,都可以。
如何区分七段数码管10个引脚:
用万用表测一下就可以了。数码管分为共阴极和共阳极。一般情况下有10个引脚。上面5个下面5个,每排的中间一个一般情况下是接低电平或者高电平。先用万用表的正极放在中间一个,另外一个依次去测。如果是共阳极就有亮,否则共阴极,根据发光位置就可以判断引脚了
Tags:
责任编辑:小黑游戏